Скрытые петли для дверей – невидимая фурнитура, которая монтируется внутрь дверного полотна и коробки, благодаря чему не видна при закрытой двери. Позволяют создать эффект «двери-невидимки», которая сливается со стеной и скрывает вход в помещение.
Основное отличие скрытых петель от классических в том, что они полностью утоплены в дверное полотно и коробку, не выступая наружу. Это создает «чистую» линию и делает дверь неотличимой от стены.
Конструкция скрытых петель
- Монтажные планки. Две пластины, одна из которых врезается в торец дверного полотна, а другая — в дверную коробку.
- Шарнирная система. Механизм, соединяющий планки с помощью специальных рычагов. Это обеспечивает движение створки.
- Антифрикционные втулки. Улучшают скольжение и обеспечивают плавную работу механизма.
- Регулировочные винты. Позволяют точно настроить положение дверного полотна по вертикали, горизонтали и прижиму без необходимости снятия двери.
- Декоративные колпачки (опционально). Иногда используются для окончательного сокрытия механизма.
Как это работает
Петли врезаются в пазы, что делает их практически невидимыми. При закрытой двери петли остаются скрытыми в пространстве между коробкой и створкой или в специальных выемках. При открытии створки рычаги и шарниры обеспечивают поворот полотна.
Преимущества скрытых петель
- Скрытый монтаж. Петли не видны снаружи, что обеспечивает цельность дверного полотна и стены, идеально подходят для интерьеров в стиле минимализм.
- Плавное открывание. Скрытые петли обеспечивают плавное и бесшумное открывание и закрывание двери без трения или скрипа, характерных для обычных петель.
- Регулировка. Петли можно регулировать в трех плоскостях (вертикаль, горизонталь, глубина) без демонтажа двери, что упрощает монтаж и эксплуатацию.
- Открытие на 180 градусов. Некоторые модели позволяют открывать дверь во всю ширину проема.
- Простой уход. Благодаря скрытому расположению, петли легче чистить и ухаживать за ними.
- Повышенная безопасность. Скрытое крепление делает петли недоступными для взлома снаружи, что повышает безопасность помещения.
- Долговечность. При правильной эксплуатации и благодаря специальным сплавам, петли обладают долгим сроком службы.
- Высокая прочность. Петли выдерживают значительный вес и подходят для дверей из разных материалов.
Недостатки скрытых петель
Скрытые петли обычно стоят дороже обычных из-за сложности производства. Кроме того, установка петель требует высокой точности и может занять больше времени, чем монтаж обычных петель.
Основные критерии выбора скрытых петель
- Вес двери. Для дверей весом до 25 кг подойдут петли высотой 7 см, для дверей до 40 кг – 10 см и более. Для более равномерной нагрузки на двери весом свыше 60 кг рекомендуется устанавливать три петли на одну дверь.
- Размер и толщина полотна. Размер петли должен соответствовать толщине дверного полотна. Нельзя установить крупные петли на тонкую дверь.
- Угол открывания. У стандартных скрытых петель угол открывания составляет 95-110°, но существуют модели с углом 165-180°.
Лучший вариант – купить комплект скрытых дверей. В этом случае вся фурнитура и крепежные элементы идеально подойдут для двери определенной модели.
Установка скрытых петель: пошаговая инструкция
- Сделайте разметку мест установки петель на дверном полотне и коробе.
- Используйте стамеску и молоток, чтобы наметить углубления по контуру. Это поможет точнее работать фрезером.
- С помощью дрели с фрезерной насадкой аккуратно выберите углубления под петли в торцах полотна и коробки. Глубина должна соответствовать толщине петли без декоративной накладки. Работайте по контуру, не торопясь, чтобы не повредить полотно.
- Вставьте каждую петлю в подготовленное углубление на торце дверного полотна. Она должна сидеть плотно.
- Сверлом просверлите отверстия для шурупов.
- Закрутите шурупы, чтобы зафиксировать петли. Делайте это одновременно, чтобы избежать перекоса.
- Установите полотно в коробку, соединив петли на полотне с ответными частями на коробке.
- Отрегулируйте зазоры с помощью регулировочных винтов на петлях, чтобы дверь открывалась и закрывалась без заеданий и перекосов. Сначала ослабьте винты, чтобы можно было двигать петлю, а затем, после выравнивания двери, затяните винты до конца.
- После того как дверь отрегулирована, затяните все шурупы и проведите финальную проверку работы механизма.
Типы регулировок скрытых петель
Вертикальная (по высоте)
Позволяет поднять или опустить дверное полотно, чтобы исправить провисание. Регулировка осуществляется винтами, отвечающими за положение створки.
Горизонтальная (по ширине)
Смещает дверь влево или вправо, чтобы отрегулировать зазоры между полотном и коробкой.
По глубине (прижим)
Регулирует прилегание двери к коробке, обеспечивая герметичность. Достигается путем ослабления и затягивания винтов крепления, что позволяет регулировать вылет петли.
Как выполняется регулировка
- Регулировка производится с помощью отвертки или шестигранного ключа.
- Винты, отвечающие за каждую плоскость, обычно находятся на корпусе петли.
- Для регулировки нужно сначала ослабить соответствующие винты, затем отрегулировать положение двери и после этого затянуть винты обратно.
- После каждого этапа регулировки необходимо проверить, как закрывается и открывается дверь.
Возможные ошибки при регулировке петель
- Чрезмерное затягивание. Слишком сильное затягивание винтов приводит к деформации петель и дверного полотна, а также может повредить дверную коробку.
- Нарушение последовательности. Несоблюдение правильной последовательности действий (например, попытка отрегулировать все винты сразу, а не поочередно) приводит к перекосу двери.
- Неправильные инструменты. Использование отвертки или ключа неподходящего размера может повредить шлицы на винтах или сам крепеж, что затруднит дальнейшую регулировку.
Как производится регулировка скрытых петель
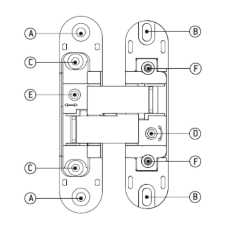
Схема петли
- A – отверстия для саморезов, с помощью которых петля прикрепляется к основанию
- В – отверстия овальной формы для вертикальной регулировки положения и крепления двери
- С – винты для регулировки глубины
- D – винт для боковой регулировки
- E – винт эксцентрик для регулировки глубины
- F дополнительные отверстия диаметром 3.5 мм для крепления двери
Пошаговое руководство
Регулировка по высоте
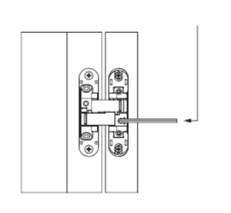
Вставьте регулировочный клин под дверь и отверните крепежные винты В, чтобы дверная створка села на клин.
Задвигайте регулировочный клин под дверь до получения требуемого зазора между полотном и поверхностью пола. Затем заверните винты B обратно. После этого вкрутите винты F и извлеките клин.
Регулировка по глубине
Отверните оба винта С на один оборот.
Для регулировки до -1 мм отверните винт эксцентрик Е по часовой стрелке, до +1 мм – против часовой.
Боковая регулировка
Производится с помощью винта D. Для боковой регулировки глубины до -1,5 мм проверните винт по часовой стрелке, до +1,5 мм – против часовой.
Когда проводится регулировка петель
Регулировка скрытых петель осуществляется не только в процессе установки двери для обеспечения идеального прилегания и выравнивания полотна в отношении стены. Регулировать скрытые петли также нужно, когда дверь провисла и задевает пол или коробку, появился скрип или трение, нарушена герметичность (дверь неплотно прилегает), или плохо работает замок.
Заключение
После правильной регулировки дверь должна открываться и закрываться плавно, без заеданий и скрипов. Необходимо проверить, что зазоры между полотном и коробкой равномерны по всей высоте. Если дверь по-прежнему провисает, не закрывается плотно или заедает, повторите процесс, немного подкорректировав положение петель по всем трем осям: вертикали (высоте), горизонтали (ширине) и глубине (прижиму).
